远程服务器返回错误: (404) 未找到。

【产品用途】
我公司生产的美标止回阀,按照美国标准设计制造,结构美观。美标止回阀是指依靠介质本身流动而自动开、闭阀瓣,用来防止介质倒流的阀门,又称逆止阀、单向阀、逆流阀,其主要作用是防止介质倒流、防止泵及驱动电动机反转,以及容器介质的泄放。
【性能参数】
|
序号 |
项目名称 |
参数 |
|||||
|
1 |
公称压力PN(MPa) |
150LB |
300LB |
600LB |
900LB |
1500LB |
2500LB |
|
2.0 |
5.0 |
10.0 |
15.0 |
25.0 |
42.0 |
||
|
2 |
壳体强度试验压力 |
常温下公称压力的1.5倍 |
|||||
|
3 |
高压密封试验压力 |
常温下公称压力的1.1倍 |
|||||
|
4 |
常温下工作压力 |
按ASME B16.34 压力温度额定值 |
|||||
【产品规范】
|
设计标准 |
结构长度 |
法兰连接尺寸 |
试验与检验 |
压力与温度基准 |
|
API6D/ASME B16.34 |
ASME B16.10 |
ASME B16.5 |
API598/API6D |
ASME B16.34 |
【主要零件材料】
|
零件名称 |
材料名称 |
|||||
|
阀体 |
A216 WCB |
A217 WC6 |
A351 CF8 |
A351 CF8M |
A351 CF3 |
A351 CF3M |
|
阀盖 |
A216 WCB |
A217 WC6 |
A351 CF8 |
A351 CF8M |
A351 CF3 |
A351 CF3M |
|
阀板 |
A216 WCB |
A217 WC6 |
A351 CF8 |
A351 CF8M |
A351 CF3 |
A351 CF3M |
|
密封面 |
13Cr/STL |
STL |
本体/STL |
本体/STL |
本体/STL |
本体/STL |
|
阀轴 |
A182 F6a |
A182 F11 |
A182 F304 |
A182 F316 |
A182 F304L |
A182 F316L |
|
垫片 |
柔性石墨 |
柔性石墨 |
柔性石墨 |
柔性石墨 |
柔性石墨 |
柔性石墨 |
|
螺栓 |
A193 B7 |
A193 B16 |
A193 B8 |
A193 B8M |
A193 B8 |
A193 B8M |
|
螺母 |
A194 2H |
A194 4 |
A194 8 |
A194 8M |
A194 8 |
A194 8M |
|
使用温度 |
-29~425℃ |
-29~540℃ |
-46~425℃ |
-46~425℃ |
-46~425℃ |
-46~425℃ |
|
适用介质 |
水、蒸汽 |
水、蒸汽 |
弱腐蚀性 |
弱腐蚀性 |
弱腐蚀性 |
弱腐蚀性 |
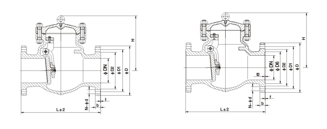
【主要外形和连接尺寸】
|
公称通径 |
尺寸 |
||||||||
|
m |
in |
L |
D |
D1 |
D2 |
b |
f |
n-Φd |
H |
|
H44H-150Lb |
|||||||||
|
50 |
2 |
203 |
152 |
120.5 |
92 |
16 |
1.6 |
4-19 |
180 |
|
80 |
3 |
241 |
192 |
152.5 |
127 |
19 |
1.6 |
4-19 |
190 |
|
100 |
4 |
297 |
229 |
190.5 |
157 |
24 |
1.6 |
8-19 |
203 |
|
125 |
5 |
330 |
254 |
216 |
186 |
24 |
1.6 |
8-22 |
229 |
|
150 |
6 |
356 |
279 |
241.5 |
216 |
26 |
1.6 |
8-22 |
257 |
|
200 |
8 |
495 |
342 |
298.5 |
270 |
29 |
1.6 |
8-22 |
292 |
|
250 |
10 |
622 |
406 |
362 |
324 |
31 |
1.6 |
12-25 |
355 |
|
300 |
12 |
698 |
483 |
432 |
381 |
32 |
1.6 |
12-25 |
396 |
|
H44H-300Lb |
|||||||||
|
50 |
2 |
267 |
165 |
127 |
92 |
23 |
1.6 |
8-19 |
178 |
|
80 |
3 |
318 |
210 |
168.5 |
127 |
29 |
1.6 |
8-22 |
216 |
|
100 |
4 |
356 |
254 |
200 |
157 |
32 |
1.6 |
8-22 |
241 |
|
125 |
5 |
400 |
279 |
235 |
186 |
35 |
1.6 |
8-22 |
267 |
|
150 |
6 |
444 |
318 |
270 |
216 |
37 |
1.6 |
12-22 |
305 |
|
200 |
8 |
533 |
381 |
330 |
270 |
42 |
1.6 |
12-25 |
368 |
|
250 |
10 |
622 |
445 |
387 |
324 |
48 |
1.6 |
16-29 |
394 |
|
300 |
12 |
711 |
521 |
451 |
381 |
51 |
1.6 |
16-32 |
445 |
|
H44H-600Lb |
|||||||||
|
50 |
2 |
295 |
165 |
127 |
92 |
33 |
6.4 |
8-19 |
203 |
|
80 |
3 |
359 |
210 |
168 |
127 |
36 |
6.4 |
8-22 |
235 |
|
100 |
4 |
435 |
273 |
216 |
157 |
45 |
6.4 |
8-25 |
286 |
|
125 |
5 |
511 |
330 |
266.5 |
186 |
52 |
6.4 |
8-29 |
292 |
|
150 |
6 |
562 |
356 |
292 |
216 |
55 |
6.4 |
12-29 |
330 |
|
200 |
8 |
664 |
419 |
349 |
270 |
63 |
6.4 |
12-32 |
381 |
|
250 |
10 |
791 |
510 |
432 |
324 |
71 |
6.4 |
16-35 |
457 |
|
300 |
12 |
842 |
559 |
489 |
381 |
74 |
6.4 |
20-35 |
584 |
【结构图片】