远程服务器返回错误: (404) 未找到。

【产品用途】
煤气专用蝶阀是一种常用于冶金、化工等领域中通风管路中,主要负责含有含尘的冷、热风流、流通的流量调节和切断,这样看起来煤气蝶阀似乎没有什么过人之处,但是与普通的阀门相比,蝶阀的结构更适合这种工作环境。
煤气专用蝶阀使用中线式碟板和钢板焊接制成,结构紧密,重量轻。区别于普通类阀门,特点在于它的内部没有连接杆、螺栓等结构,所以对通道输送气体所带来的腐蚀和破坏具有更强的抵抗作用。
通常煤气蝶阀都会采用气动控制或者电动控制,引起力矩小、操作简便、可靠性高。所以在冶金、环保等领域广泛使用。另外,这种阀门还可以手动控制和自动控制之间自如切换,能够实现更灵活的使用。
这种蝶阀的使用,在一定程度上可以取代球阀和闸阀,因为不需要安装多层密封圈,而是直接安装在阀体上,在阀座和压板中间部分设计调节环,所以能够实现更理想的双向硬质密封。
【煤气专用蝶阀的选择原则】
1、在系统中起连通和切断作用,并允许切断时介质有少量泄露(一般不大于5%)的风门可选用关闭挡板风门、74DD圆风门、方风门、钢制关断风门等。
2、在系统中起调节介质流量作用,且一般不起隔断作用的风门,宜选用调节挡板风门、钢制调节圆风门。对于要求既有调节性能又需切断介质流动功能的风门,宜选用无泄漏调节挡板风门,74DD圆风门、方风门。用于离心式风机入口的风门,只宜选用平行开关式的调节挡板风门、方风门。用于即起调节作用又需自动关断逆向气流场合的风门,宜选用逆止式调节风门。
3、在系统中作切断用,且不允许介质泄露(理论上泄漏量为零),宜选用隔绝类风门,其种类有标准插板式隔绝门、大型闸板门、翻板门、双峰百叶窗式风门。
4、用于煤粉制备系统中起隔绝作用风门,可选用煤粉闸门装置。
5、用于灰煤粉等粒状物料的隔绝门,可选用隔绝闸门装置。
6、用于粉尘管路易受磨损、冲刷的叶片式风门,表面要耐磨、耐蚀,可选用耐磨陶瓷风门或表面喷涂高温防腐耐磨合金图层的风门(风门的使用寿命较16Mn钢材延长使用寿命4~5倍)。
【标准规范】
设计制造标准:GB/T 12238-2008
结构长度标准:GB/T 12221-2005
连接法兰标准:GB/T 9113
压力温度等级:GB/T 12224-2005
试验检验标准:GB/T 13927-2008
【结构特点】
1、启闭方便迅速、省力、流体阻力小,可以经常操作。
2、结构简单,体积小,重量轻。
3、低压下实现良好的密封。
4、调节性能好。
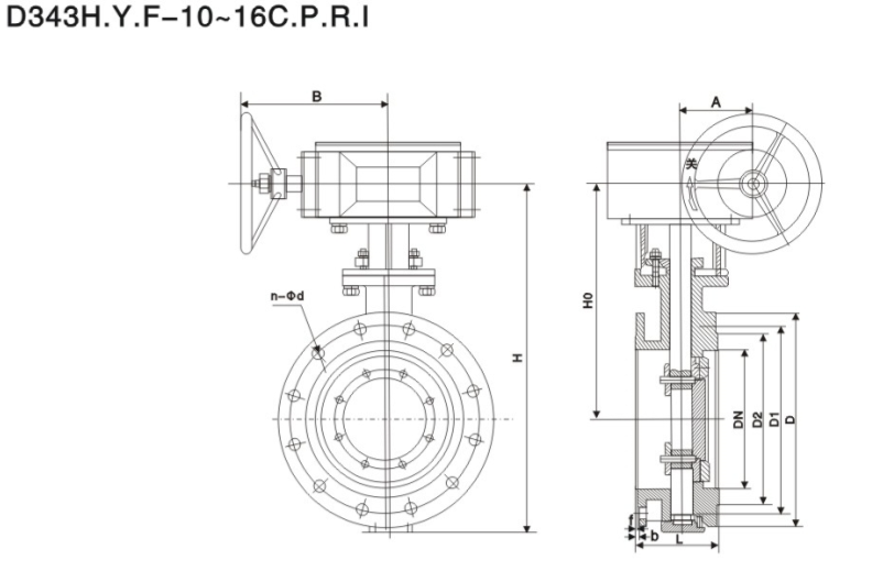
【主要外形和连接尺寸】
|
PN |
DN |
L |
D |
D1 |
D2 |
Z-d |
b |
f |
H |
H0 |
|
1.0 |
50 |
108 |
165 |
125 |
99 |
4-18 |
20 |
2 |
170 |
130 |
|
1.0 |
65 |
112 |
185 |
145 |
118 |
4-18 |
20 |
2 |
170 |
145 |
|
1.0 |
80 |
114 |
200 |
160 |
132 |
8-18 |
20 |
2 |
230 |
152 |
|
1.0 |
100 |
127 |
220 |
180 |
156 |
8-18 |
22 |
2 |
320 |
192 |
|
1.0 |
125 |
140 |
250 |
210 |
184 |
8-18 |
22 |
2 |
345 |
200 |
|
1.0 |
150 |
140 |
285 |
240 |
211 |
8-22 |
24 |
2 |
385 |
230 |
|
1.0 |
200 |
152 |
340 |
295 |
266 |
8-22 |
24 |
2 |
471 |
297 |
|
1.0 |
250 |
165 |
405 |
355 |
319 |
12-22 |
26 |
2 |
533 |
327 |
|
1.0 |
300 |
178 |
445 |
400 |
370 |
12-22 |
26 |
2 |
606 |
364 |
|
1.0 |
350 |
190 |
505 |
460 |
429 |
16-22 |
26 |
2 |
694 |
404 |
|
1.0 |
400 |
216 |
565 |
515 |
480 |
16-26 |
26 |
2 |
757 |
444 |
|
1.0 |
450 |
222 |
615 |
565 |
530 |
20-26 |
28 |
2 |
814 |
472 |
|
1.0 |
500 |
229 |
670 |
620 |
582 |
20-26 |
28 |
2 |
902 |
522 |
|
1.0 |
600 |
267 |
780 |
725 |
682 |
20-30 |
34 |
2 |
1048 |
590 |
|
1.0 |
700 |
292 |
895 |
840 |
794 |
24-30 |
34 |
5 |
1277 |
810 |
|
1.0 |
800 |
318 |
1015 |
950 |
901 |
24-33 |
36 |
5 |
1385 |
844 |
|
1.0 |
900 |
330 |
1115 |
1050 |
1001 |
28-33 |
38 |
5 |
1490 |
890 |
|
1.0 |
1000 |
410 |
1230 |
1160 |
1112 |
28-36 |
38 |
5 |
1620 |
950 |
|
1.6 |
50 |
108 |
165 |
125 |
99 |
4-18 |
20 |
2 |
170 |
130 |
|
1.6 |
65 |
112 |
185 |
145 |
118 |
4-18 |
20 |
2 |
170 |
145 |
|
1.6 |
80 |
114 |
200 |
160 |
132 |
8-18 |
20 |
2 |
230 |
152 |
|
1.6 |
100 |
127 |
220 |
180 |
156 |
8-18 |
22 |
2 |
320 |
192 |
|
1.6 |
125 |
140 |
250 |
210 |
184 |
8-18 |
22 |
2 |
345 |
200 |
|
1.6 |
150 |
140 |
285 |
240 |
211 |
8-22 |
24 |
2 |
385 |
230 |
|
1.6 |
200 |
152 |
340 |
295 |
266 |
12-22 |
24 |
2 |
471 |
297 |
|
1.6 |
250 |
165 |
405 |
355 |
319 |
12-26 |
26 |
2 |
533 |
327 |
|
1.6 |
300 |
178 |
460 |
410 |
370 |
12-26 |
28 |
2 |
606 |
364 |
|
1.6 |
350 |
190 |
520 |
470 |
429 |
16-26 |
30 |
2 |
694 |
404 |
|
1.6 |
400 |
216 |
580 |
525 |
480 |
16-30 |
32 |
2 |
757 |
444 |
|
1.6 |
450 |
222 |
640 |
585 |
548 |
20-30 |
40 |
2 |
814 |
472 |
|
1.6 |
500 |
229 |
715 |
650 |
609 |
20-33 |
44 |
2 |
902 |
522 |
|
1.6 |
600 |
267 |
840 |
770 |
720 |
20-36 |
54 |
2 |
1048 |
590 |
|
1.6 |
700 |
292 |
910 |
840 |
794 |
24-36 |
40 |
5 |
1277 |
810 |
|
1.6 |
800 |
318 |
1025 |
950 |
901 |
24-39 |
42 |
5 |
1385 |
844 |
|
1.6 |
900 |
330 |
1125 |
1050 |
1001 |
28-39 |
44 |
5 |
1490 |
890 |
|
1.6 |
1000 |
410 |
1225 |
1170 |
1112 |
28-42 |
46 |
5 |
1620 |
950 |
|
2.5 |
50 |
108 |
165 |
125 |
99 |
4-18 |
20 |
2 |
170 |
130 |
|
2.5 |
65 |
112 |
185 |
145 |
118 |
8-18 |
22 |
2 |
265 |
210 |
|
2.5 |
80 |
114 |
200 |
160 |
132 |
8-18 |
24 |
2 |
310 |
233 |
|
2.5 |
100 |
127 |
235 |
190 |
156 |
8-22 |
24 |
2 |
343 |
242 |
|
2.5 |
125 |
140 |
270 |
220 |
184 |
8-26 |
26 |
2 |
385 |
254 |
|
2.5 |
150 |
140 |
300 |
250 |
211 |
8-26 |
28 |
2 |
445 |
580 |
|
2.5 |
200 |
152 |
360 |
310 |
274 |
12-26 |
30 |
2 |
510 |
297 |
|
2.5 |
250 |
165 |
425 |
370 |
330 |
12-30 |
32 |
2 |
569 |
339 |
|
2.5 |
300 |
178 |
485 |
430 |
389 |
16-30 |
34 |
2 |
653 |
375 |
|
2.5 |
350 |
190 |
555 |
490 |
448 |
16-33 |
38 |
2 |
730 |
420 |
|
2.5 |
400 |
216 |
620 |
550 |
503 |
16-36 |
40 |
2 |
810 |
463 |
|
2.5 |
450 |
222 |
670 |
600 |
548 |
20-36 |
46 |
2 |
850 |
495 |
|
2.5 |
500 |
229 |
730 |
660 |
609 |
20-36 |
48 |
2 |
940 |
566 |
|
2.5 |
600 |
267 |
845 |
770 |
720 |
20-39 |
58 |
2 |
1150 |
630 |
|
2.5 |
700 |
292 |
960 |
875 |
820 |
24-42 |
58 |
5 |
1195 |
727 |
|
2.5 |
800 |
318 |
1085 |
990 |
609 |
24-36 |
58 |
5 |
1268 |
810 |
【结构图片】
