远程服务器返回错误: (404) 未找到。

【产品用途】
D341H、D341W 型 PN0.5~PN1 通风蝶阀在冶金、化工、建材、电站、玻璃等行业中的通风、环保工程的含尘冷风或热风气体管道中,作为气体介质调节流量或切断装置。
【产品特点】
通风蝶阀的结构是使用中线蝶板和短结构钢板进行焊接而成的,所以它的内部没有连杆和螺栓等组件,在使用过程中也就不会产生一些组件问题,因此故障率很低。使用起来很方便。是一种可靠的阀门装置。而且因为它的密封系统采用的是金属封闭,虽然密封效果比不上弹性密封,但是使用寿命要比弹性密封长,而且具有耐高温的特性。所以在建材、电力、冶金等行业都有着广泛的应用。在温度不高于300度的介质输送管道中,都可以的实现连接和关闭调节作用。这种蝶阀还可以根据客户的需要来特殊定制,十分的人性化。
因为通风蝶阀的蝶板与阀体间的间隙很大,有足够的膨胀空间,所以在使用过程中它可以有效的防止因为温度变化带来的热胀冷缩的情况,也就不会产生蝶板卡死的现象了。常见的蝶阀有多种的驱动方式,有手动驱动的,也有电动驱动的和气动驱动的等等,选择的余地非常的大。因为材质的缘故,这种蝶阀还具备耐高温的特性,开关的时候也不会有摩擦,使用寿命极长。通风蝶阀是一种使用钢板焊接制作而成的的阀门,它具有尺寸小重量轻容易安装等特点,而且因为它的流动阻力小,流通量大,不会受到高温膨胀的影响。它的驱动力矩较小,开关非常的灵活,所以操作起来很方便。深受业内人士的喜爱。
【安装说明】
通风蝶阀的安装是至关重要的,因为安装的好坏直接关系到了机械以后使用,所以我们在安装通风蝶阀的时候一定要小心,并且注意相关的问题!下面就有昊天小编带着大家一起来探讨下吧!
通风蝶阀结构采用中线式碟板与短结构钢板焊接的新型结构形式设计制造的,结构紧凑、重量轻、便于安装、流阻小、流通量大,避免高温膨胀的影响,操作轻便。通风蝶阀内无连杆、螺栓等、工作可靠、使用寿命长。通风蝶阀是一种非密闭型蝶阀,广泛适用于建材、冶金、矿山、电力等生产过程种介质温度≤300℃公称压力为0.1Mpa的管道上,用以连通、启闭或调节介质量。
通风蝶阀在管道中一般应当水平安装,应用于化工、建材、电站、玻璃等行业中的通风、环保工程的含尘冷风或热风气体管道中,作为气体介质调节流量或切断的管道控制装置。
【产品主要参数】
|
公称压力(MPa) |
0.05MPa |
介质温度 |
-30℃~-350℃ |
|
强度试验 |
0.1MPa |
适用介质 |
冷热风、烟气 |
|
介质流速 |
25m/s |
泄漏率 |
3% |
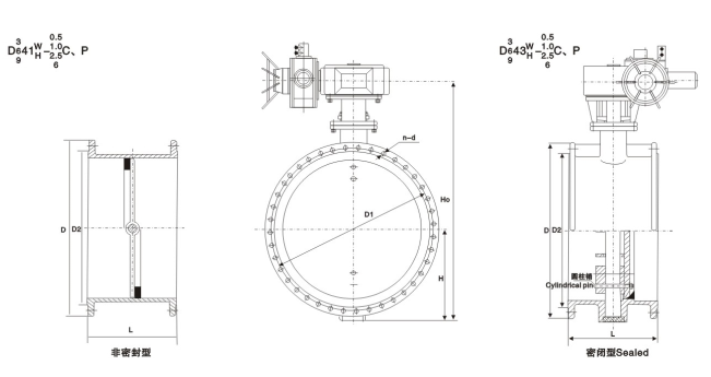
【主要外形和连接尺寸】
|
DN |
D |
D1 |
L |
L1 |
L2 |
n-Фd |
b |
|
300 |
405 |
370 |
120 |
716 |
220 |
8-12 |
10 |
|
350 |
455 |
420 |
140 |
786 |
240 |
8-14 |
10 |
|
400 |
505 |
470 |
140 |
924 |
270 |
12-18 |
10 |
|
450 |
570 |
530 |
160 |
999 |
295 |
12-18 |
10 |
|
500 |
620 |
580 |
160 |
1079 |
325 |
12-18 |
10 |
|
600 |
720 |
680 |
180 |
1140 |
380 |
16-18 |
12 |
|
700 |
820 |
780 |
180 |
1240 |
430 |
16-18 |
12 |
|
800 |
920 |
880 |
200 |
1350 |
490 |
16-18 |
12 |
|
900 |
1040 |
990 |
200 |
1450 |
540 |
16-18 |
14 |
|
1000 |
1140 |
1090 |
220 |
1550 |
590 |
20-18 |
14 |
|
1100 |
1240 |
1190 |
220 |
1800 |
640 |
20-18 |
14 |
|
1200 |
1340 |
1290 |
240 |
1900 |
690 |
20-18 |
14 |
|
1300 |
1440 |
1390 |
240 |
2020 |
760 |
20-18 |
16 |
|
1400 |
1540 |
1490 |
260 |
2120 |
810 |
24-18 |
16 |
|
1500 |
1640 |
1590 |
260 |
2220 |
860 |
24-18 |
16 |
|
1600 |
1740 |
1690 |
280 |
2390 |
980 |
24-18 |
16 |
|
1700 |
1840 |
1790 |
280 |
2590 |
1030 |
28-22 |
16 |
|
1800 |
1940 |
1890 |
300 |
2709 |
1096 |
28-22 |
16 |
|
1900 |
2040 |
1990 |
300 |
2826 |
1146 |
32-22 |
16 |
|
2000 |
2150 |
2090 |
320 |
2926 |
1196 |
32-26 |
16 |
|
2200 |
2360 |
2300 |
340 |
3126 |
1296 |
36-26 |
16 |
|
2400 |
2560 |
2500 |
360 |
3326 |
1396 |
36-26 |
18 |
|
2600 |
2760 |
2700 |
380 |
3526 |
1496 |
40-26 |
18 |
|
2800 |
2960 |
2900 |
400 |
3726 |
1596 |
40-26 |
18 |
|
3000 |
3190 |
3110 |
400 |
4098 |
1698 |
44-30 |
18 |
|
3200 |
3390 |
3310 |
440 |
4338 |
1798 |
44-30 |
20 |
|
3400 |
3590 |
3510 |
440 |
4578 |
1898 |
48-30 |
20 |
|
3600 |
3790 |
3710 |
480 |
4780 |
1998 |
48-30 |
20 |
|
3800 |
4000 |
3910 |
480 |
5000 |
2098 |
52-30 |
22 |
|
4000 |
4210 |
4120 |
520 |
5200 |
2210 |
52-30 |
22 |
【结构图片】